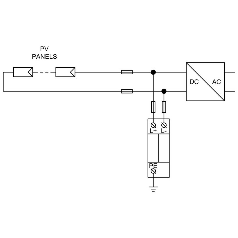
Formålskabet DC-beskyttelse af PV-arrays.
Denne type 2 -overspændingsarrestere beskytter PV -strenge, busbarer og inverterindgange fra kortvarige overspændinger forårsaget af lynbegivenheder eller skifteoperationer. De sikrer ekvipotentialbinding af både positive og negative PV -busbarer og hjælper med at opretholde systemoptagelsestid på tværs af alle lynbeskyttelsesniveauer (LPL I - IV).
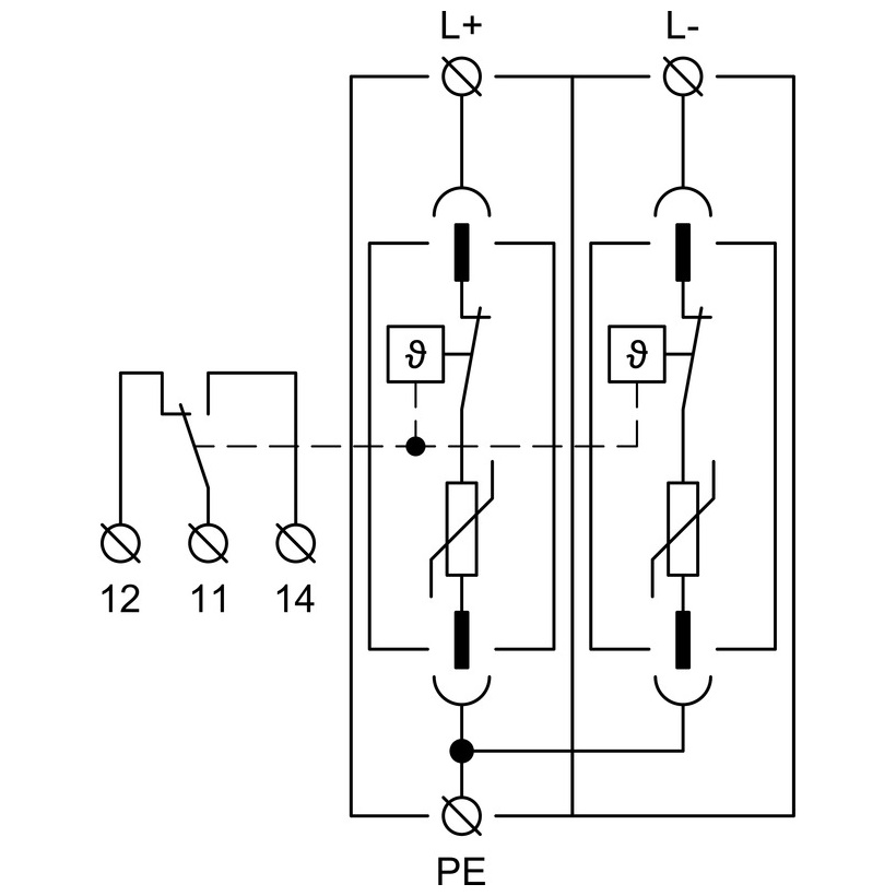
U eller Y -forbindelse - vælg, hvad dit design har brug for.
U Forbindelse: Konventionel beskyttelsestopologi for PV DC -kredsløb.
Y Forbindelse: Varistorer arrangeret til PE, så arbejdslederne forbliver modstandsdygtige over for Jorden, og der er nul rest (lækage) strøm gennem PE -lederen, forbedring af EMC -opførsel og minimering af generende strømstier.
Indbygget sikkerhed-ingen back-up sikring krævet.
Særlige varistorsektorer mellem L+, L- og PE er hver udstyret med interne termiske afbrydere. Når en varistor når ud af slutningen af livet (overophedninger), angiver afbryderen, hvilket synligt indikerer en fejl og afbryder DC-strøm. Takket være deres specielle konstruktion kan disse arrestanter installeres uden en separat back-up sikring (underlagt systemkoordination).
Fleksibel implementering med eller uden ekstern LPS.
Installer på DC -siden af PV -systemer enten uden et eksternt lynbeskyttelsessystem (LPS) eller med en LPS, når den krævede separationsafstand “S” opretholdes. Dette understøtter sikker integration i både nye bygninger og eftermonteringer.
Service og overvågningsmuligheder.
M-indikation: Version med et aftageligt (plug-in) beskyttelsesmodul til hurtig udskiftning.
S Indikation: Version med fjernovervågningskontakt for statussignalering til SCADA/PLC/alarmrelæer.
Typiske applikationer
PV-strenge, kombinerer/re-combiner-kasser og inverter DC-indgange
Hjælpe-skala, kommercielle og industrielle og tagterrasse PV-installationer
Websteder med eller uden ekstern LPS, hvor separationsafstand “s” observeres
Nøglefunktioner med et øjeblik
Type 2 overspændingsarrester for PV DC -systemer (U eller Y -forbindelse)
Y Forbindelsesfordel: Jordbestandig arbejdsledere og nul lækage
Interne termiske afbrydelser på varistorstier (L+, L-, PE)
DC Aktuel afbrydelse af fejl; Ingen back-up sikring krævet
Egnet til alle LPL -niveauer; Understøtter ekvipotentialbinding
M = aftageligt modul; S = fjernovervågningskontakt

